FOLGEN SIE UNS:

Produkte
32A Vorwärts- und Rückwärts-Drehschalter
  • 32A Vorwärts- und Rückwärts-Drehschalter32A Vorwärts- und Rückwärts-Drehschalter
  • 32A Vorwärts- und Rückwärts-Drehschalter32A Vorwärts- und Rückwärts-Drehschalter
  • 32A Vorwärts- und Rückwärts-Drehschalter32A Vorwärts- und Rückwärts-Drehschalter

32A Vorwärts- und Rückwärts-Drehschalter

Als professioneller Hersteller elektrischer Schalter mit über 30 Jahren Erfahrung bringt YAMING den 32A-Drehschalter für Vorwärts- und Rückwärtssteuerung (internes Modell: YMW26-32 5.5N/3) auf den Markt, eine leistungsstarke Schaltkreissteuerungslösung, die mit exquisiter Handwerkskunst und modernster Technologie gefertigt wurde. Dieser 3-Positionen-Drehschalter ist für Wechselstromkreise mit 50 Hz/≤690 V und Gleichstrom ≤240 V geeignet und unterstützt die manuelle, nicht häufige Stromkreisumwandlung, die direkte Steuerung kleiner Wechselstrommotoren sowie die Befehlssteuerung und Stromkreisprüfung.

Der YAMING 32A-Drehschalter für Vorwärts- und Rückwärtssteuerung ist ein hochzuverlässiger 3-Positionen-Umschalter, der speziell für AC 50 Hz/≤690 V- und DC ≤240 V-Stromkreise entwickelt wurde, mit einer maximalen Strombelastbarkeit von 32 A. Zu seinen Kernfunktionen gehören die Realisierung einer manuellen, nicht häufigen Schaltungsumwandlung, die direkte Steuerung kleiner Wechselstrommotoren und die Anwendbarkeit auf Befehlssteuerungs- und Schaltungstestszenarien.


Als Schlüsselkomponente elektrischer Steuerungssysteme gewährleistet es effektiv den stabilen und zuverlässigen Betrieb verschiedener Elektrogeräte. Es zeichnet sich durch kompakte Größe, Multifunktionsintegration, robuste Struktur und zuverlässigen Betrieb aus und bietet eine starke Anpassungsfähigkeit an verschiedene Arbeitsumgebungen. Als vertrauenswürdiger Lieferant aus China bietet YAMING anpassbare Optionen für diesen Schalter, um den unterschiedlichen Anwendungsanforderungen gerecht zu werden, was ihn zu einer Kernkomponente in Schaltkreissteuerungen, Testgeräten und Motorsteuerungssystemen macht.


Kernproduktfunktionen


- Kompakte Struktur für flexible Installation: Der Schalter verfügt über ein kompaktes Design, das flexibel in begrenzten Installationsräumen angeordnet werden kann und so die Auslastung des Geräteinnenraums erheblich verbessert.


- Multifunktionsintegration: Es integriert mehrere Steuerungsfunktionen, um den unterschiedlichen Steuerungsanforderungen verschiedener Anwendungsszenarien gerecht zu werden, realisiert einen Schalter für mehrere Zwecke und reduziert die Komplexität der Systemkonfiguration.


- Überlegene Sicherheitsleistung: Der Schalter verfügt über eine robuste Struktur und hochwertige Materialien und verfügt über eine hervorragende Isolationsleistung, wodurch die elektrische Sicherheit während des Gebrauchs effektiv gewährleistet und potenzielle Sicherheitsrisiken reduziert werden.


- Stabiler und zuverlässiger Betrieb: Der Drehmechanismus arbeitet reibungslos, mit geringer Ausfallrate und hoher Zuverlässigkeit, wodurch eine stabile Leistung auch im Langzeitgebrauch aufrechterhalten werden kann.


- Stilvolles und praktisches Design: Das Erscheinungsbild ist sowohl stilvoll als auch funktional, was gut zum ästhetischen Stil verschiedener Geräte passt und die Gesamtstruktur der Geräte verbessert.



Produktanwendung


Der Vorwärts- und Rückwärtssteuerungs-Drehschalter YAMING 32A verfügt über ein umfassendes Klassifizierungssystem, das auf verschiedene Nutzungsszenarien zugeschnitten werden kann, und seine Hauptanwendungen und Klassifizierungsdetails sind wie folgt:


1. Hauptanwendungsgebiete

Es wird häufig beim Schalten von Hauptstromkreisen, bei der direkten AC-Motorsteuerung, bei Befehlssteuerungs- und Stromkreismessszenarien eingesetzt und ist eine wichtige Kernkomponente in Stromkreissteuerungssystemen, Testgeräten und Motorsteuerungssystemen.


2. Klassifizierungsdetails

- Betriebsmodus: Einschließlich Positionierungs-, Selbstrückstellungs- und Positionierungs-Selbstrückstellungsmodi zur Anpassung an unterschiedliche Betriebsanforderungen.


- Umwandlungswinkel: Optionale Umwandlungswinkel von 30°, 45°, 60°, 90°, um unterschiedlichen mechanischen Übertragungsanforderungen gerecht zu werden.


- Plattenform: Erhältlich in quadratischer und rechteckiger Plattenform, geeignet für verschiedene Geräteinstallationsschnittstellen.


- Anpassbare Ebenen: Der Switch unterstützt die Anpassung von 1 bis 12 Ebenen und ermöglicht so eine personalisierte Konfiguration entsprechend den spezifischen Anforderungen des Steuerungssystems.


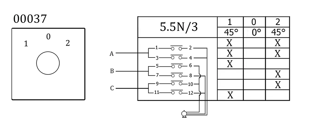
Hinweis: Das Produkt ist mit einem detaillierten Schaltplan ausgestattet, um eine schnelle und korrekte Installation und Verwendung zu ermöglichen.

Und dieser 32-A-Nockendrehschalter kann individuell angepasst werden (von 1 bis 12 Ebenen):



Arbeitsbedingungen


Der YAMING 32A Vorwärts- und Rückwärtssteuerungs-Drehschalter verfügt über eine hervorragende Anpassungsfähigkeit an die Umgebung und kann unter den folgenden normalen Arbeitsbedingungen zuverlässig arbeiten:


- Temperaturbereich: Geeignet für den Einsatz in Umgebungen mit Temperaturen von -25℃ bis +50℃, wobei die Durchschnittstemperatur innerhalb von 24 Stunden +35℃ nicht überschreitet.


- Installationshöhe: Kann in einer Höhe von ≤ 4000 m installiert werden, um sich an unterschiedliche geografische Umgebungsanforderungen anzupassen.


- Relative Luftfeuchtigkeit: Die maximale relative Luftfeuchtigkeit beträgt 50 % bei +50 °C und 90 % bei +20 °C. Für Feuchtigkeitsansammlungen aufgrund von Temperaturschwankungen bietet YAMING spezielle Antikondensationslösungen an, um einen stabilen Betrieb des Schalters zu gewährleisten.


Vorteile der Zusammenarbeit


Als professionelle Fabrik mit umfangreicher Erfahrung hält YAMING an dem Konzept der Qualität an erster Stelle fest und bietet seinen Kunden hochwertige 32A-Vorwärts- und Rückwärtssteuerungs-Drehschalterprodukte. Als zuverlässiger Lieferant aus China stellen wir nicht nur Produktleistung und -qualität sicher, sondern bieten auch durchdachten Kundendienst und maßgeschneiderte Lösungen, mit dem Ziel, einen größeren Mehrwert für globale Kunden zu schaffen.


Technische Parameter

Produktumrissgröße Installationsgröße



Hot-Tags: 32A Drehschalter für Vorwärts- und Rückwärtssteuerung, Hersteller, China, Lieferant, Fabrik
Anfrage absenden
Kontaktinformation
Wenn Sie Fragen zu einem Angebot oder einer Zusammenarbeit haben, senden Sie uns bitte eine E-Mail oder nutzen Sie das folgende Anfrageformular. Unser Vertriebsmitarbeiter wird sich innerhalb von 24 Stunden mit Ihnen in Verbindung setzen.
X
Wir verwenden Cookies, um Ihnen ein besseres Surferlebnis zu bieten, den Website-Verkehr zu analysieren und Inhalte zu personalisieren. Durch die Nutzung dieser Website stimmen Sie der Verwendung von Cookies zu. Datenschutzrichtlinie
Ablehnen Akzeptieren